Ningbo Richge Technology Co., Ltd.
Ningbo Richge Technology Co., Ltd.
제품
ZN12-12 시리즈 통합 컬럼 스위치 진공 회로 차단기
  • ZN12-12 시리즈 통합 컬럼 스위치 진공 회로 차단기ZN12-12 시리즈 통합 컬럼 스위치 진공 회로 차단기
  • ZN12-12 시리즈 통합 컬럼 스위치 진공 회로 차단기ZN12-12 시리즈 통합 컬럼 스위치 진공 회로 차단기

ZN12-12 시리즈 통합 컬럼 스위치 진공 회로 차단기

Model:ZN12-12
ZN12-12 시리즈 실내 AC HV 진공 회로 차단기는 3 단계 AC 50Hz의 실내 장비로 12kV의 전압을 정격하여 독일 회사에서 기술을 도입했습니다. 모든 종류의 부하 및 빈번한 운영이있는 지역에 적합하며 산업 및 광업, 기업, 발전소 및 변전소 전기 시설의 보호 및 제어에 사용할 수 있습니다. 이 제품은 GB1984, JB3855, DL403 및 IEC 표준의 관련 요구 사항에 따라 다릅니다.

ZN12-12 시리즈 통합 컬럼 스위치 진공 회로 차단기

  ZN12-12 실내 고전압 진공 회로 차단기 정격 12kV 전압 및 다음 실내 고전압 스위치 기어는 주로 고정 스위치 기어, 산업 및 광업 기업, 전력 공장 및 변전소 및 전기 시설의 보호 및 제어를위한 변전소에 설치되며, 장소의 중요한 부하 및 주파수 운영에 적합합니다!

  Zn12 시리즈 진공 회로 차단기는 정격 전압이 12kV, 24kV 및 40.5kV 및 3 상 AC 50Hz 인 실내 고전압 스위치 기어 장치입니다. 이 제품은 독일 Siemens 3AF 기술을 도입하여 개발 된 국내 생산량이며 회로 차단기의 운영 메커니즘은 Spring Energy Storage 유형으로 AC 또는 DC에서 작동하거나 수동으로 작동 할 수 있습니다. 회로 차단기는 간단한 구조, 강한 파괴 용량, 긴 서비스 수명 및 완전한 작동 기능을 갖습니다. 폭발의 위험이 없으며 유지 보수는 간단합니다. 발전소, 변전소 및 산업 및 광업 기업과 같은 전력 전송 및 유통 시스템의 제어 또는 보호 스위치에 적합하며 특히 중요한 부하 및 빈번한 운영 장소를 깨는 데 적합합니다. 스위치 캐비닛의 회로 차단기의 설치 형태는 고정 유형 또는 철수 가능한 유형 회로 차단기 일 수 있습니다.이 제품은 GB1984, JB3855 및 IEC62271-100 "고전압 AC 회로 차단기"와 같은 관련 표준을 준수합니다.


장점 :

1. 회로 차단기는 8 월 96 일에 기계 및 전력부의 평가를 통과 시켰으며, 이는 품질이 절대적으로 보장된다는 것을 의미합니다.

회로 차단기 메커니즘은 스위치와 통합되며 특수 스프링 에너지 저장 유형 액추에이터 메커니즘은 AC 및 DC 에너지 저장에 의해 작동하거나 수동으로 작동 할 수 있습니다.

간단한 구조, 강력한 차단 용량, 긴 서비스 수명, 완전한 운영 기능, 폭발 위험 및 쉬운 유지 보수 로이 회로 차단기는 발전소, 도시 전력망, 변전소 등과 같은 전력 전송 및 유통 시스템의 제어 또는 보호 스위치에 적합합니다.


특징:

1. 아크 소화 챔버의 파괴 용량은 높고, 전류 운반 용량은 낮으며, 전기 수명이 길다.

2. 레이아웃은 앞쪽에서 단순하고 컴팩트 한 구조, 완전한 작동 및 쉽게 유지 보수입니다.

3. 구조 및 설치를 위해서는 수평 고정 유형, 경사 고정 유형, 중간 세트 이동식 유형으로 나눌 수 있습니다.






기본 정보.



기술 매개 변수



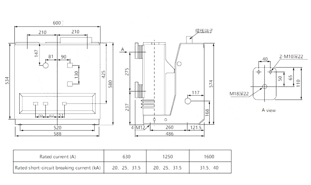
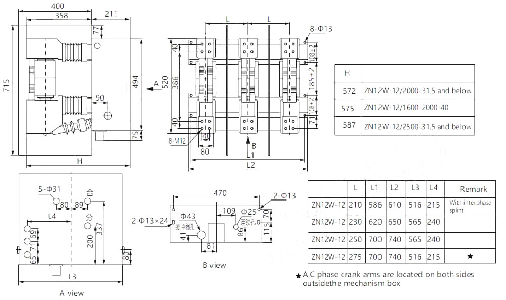
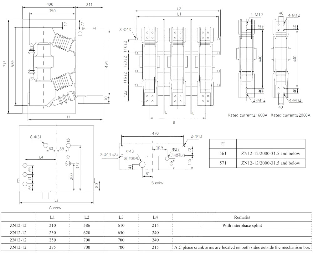
기술 도면


ZN12-12 통합 컬럼 스위치 진공 회로 차단기의 사용 조건. 고도 : ≤1000 m; (프로토 타입의 고도는 4000 미터 미만에 도달 할 수 있습니다)

2. 주변 온도 : 최고 +40 ° C, 최저 -25 ° C;

3. 상대 습도 : 일일 평균 95%를 초과하지 않고 월 평균 90%를 초과하지 않습니다.

4. 지진 강도 : 8 미만;

5. 설치 환경 : 화재, 폭발 위험, 부식성 가스 및 폭력적인 진동 장소가 없습니다.

6. 사용 환경이 위를 초과하면 진공 회로 차단기 제조업체에 문의하십시오.




FAQ

Q : 제품 가격을 가질 수 있습니까?

A : 환영합니다. 여기에서 문의를 보내 주시기 바랍니다. 24 시간 이내에 답장을 드리겠습니다.


Q : 대량 주문 전에 샘플을받을 수 있습니까?

A : 예, 품질을 테스트하고 확인하기위한 샘플 주문을 환영합니다. 혼합 된 샘플은 허용됩니다.


Q : 제품에 로고/ 회사 이름을 인쇄 할 수 있습니까?

A : 그렇습니다. 물론, 우리는 OEM을 받아들이고, 우리에게 브랜드 승인을 제공해야합니다.


Q : 제품 커스터마이징을 수락합니까?

A : 예, 물론 특정 도면이나 매개 변수를 제공하십시오. 평가 후 인용합니다.


Q : 리드 타임은 무엇입니까?

A : 리드 타임은 일반적으로 지불을받은 후 7-20 일 이내에 주문한 수량에 따라 다릅니다.


Q : 무역 조건은 무엇입니까?

A : EXW, FOB, CIF, FCA 등을 수락합니다.


Q : 지불 방법은 무엇입니까?  

A : 우리는 T/T, Western Union, PayPal, Bervoleble L/C 등을 받아들입니다.


Q : 완제품을 검사합니까?

A : 예, 생산 및 완제품의 각 단계는 배송 전에 QC 부서에서 검사를받습니다. 그리고 선적 전에 참조에 대한 상품 검사 보고서를 제공합니다.


Q : 판매 후 품질 문제를 해결하는 방법은 무엇입니까?

A : 품질 문제의 사진을 찍고 확인 및 확인을 위해 우리에게 보내 주시면 3 일 이내에 만족스러운 솔루션을 만들 것입니다.




공장


자격증




핫 태그: ZN12-12 시리즈 통합 칼럼 스위치 진공 회로 차단기, 중국, 제조업체, 공급 업체, 공장, 저렴한 가격, 품질, 최신 판매, 고급
문의 보내기
연락처 정보
저전압 배전반, 고전압 절연체, 고전압 접지 스위치 또는 가격표에 대한 문의 사항이 있는 경우 이메일을 남겨주시면 24시간 이내에 연락드리겠습니다.
X
We use cookies to offer you a better browsing experience, analyze site traffic and personalize content. By using this site, you agree to our use of cookies. Privacy Policy
Reject Accept